NEO-CDD board
(Redirected from NEO-CDD boards)
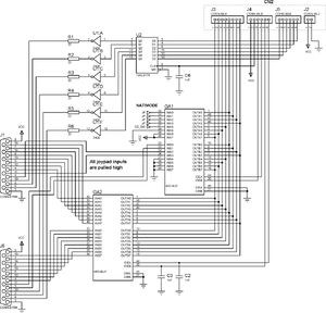
Boards holding the joypad connectors, lid and power switch, and configuration jumpers in top-loading CD systems.
NEO-CDD3-1

The power switch simply connects the yellow "LAND1" wire to ground.
Two NEO-BUF chips are use to switch the 68k data bus appropriately.
All inputs go through CRE401 RC networks.
Pin 38 of GA1 (tied to VCC) tells the system ROM that the system is a top-loader in REG_CDCONFIG.
No other versions of this board exist ?